行业知识

TA断线时,线路差动保护的防误措施

2022-11-03 10:23:11 安博体育在线注册,安博体育(中国)

TA断线时,线路差动保护的防误措施

图片关键词

1.问题的提出

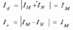
如图,N侧TA发生断线。差动电流和制动电流分别为:

图片关键词

满足下式差动方程。

图片关键词

如果不采取特殊措施,差动保护就会误动。


2.差动保护动作的原理

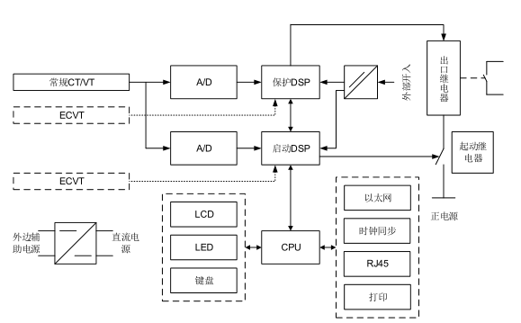
图片关键词

上图是差动保护的硬件结构图。图中有两种DSP:启动DSP,保护DSP。

启动DSP的作用:启动元件(即装置的总出口元件)动作后,接通保护的正电源。

保护DSP的作用:保护元件动作后,进行相关的逻辑运算,满足条件后出口跳闸。

保护要想出口动作跳闸,必须两个DSP同时动作。


3.启动元件保护装置的启动元件有:

(1)电流变化量启动

(2)零序过流元件启动

(3)位置不对应启动

(4)纵联差动或远跳(远方其它保护动作)启动

(5)过负荷跳闸启动(L)

(6)阻抗辅助启动(D)

(7)收信启动(Y)

(8)过电压元件启动(Y)

(9)失灵远方跳闸启动(Q)


4.保护元件保护装置的保护元件有:

(1)稳态I段差动继电器

(2)稳态II段差动继电器

(3)变化量相差动继电器

(4)零序差动继电器


5.防止TA断线保护误动的措施当M侧TA发生断线时,满足了下列两个条件:

① 本侧起动元件起动; (断线时,发生相电流或零序电流突变)   

② 本侧差动继电器动作;(即满足上式差动方程Id>Ir)


因N侧的TA没有断线,这时,N侧相电流或零序电流没有发生突变,因此N侧起动元件不动作,不满足上面的第1个条件,N侧差动保护不会动作。通过光纤,将N侧差动保护不会动作的信号送到M侧,闭锁M侧差动保护,确保M侧差动保护装置不会出口跳闸。


6.差动保护动作出口跳闸的条件实际应用中,差动保护动作出口跳闸的条件由上述两条变为3条:

(1)本侧起动元件起动; (相电流或零序电流发生了突变)   

(2)本侧差动继电器动作;(满足了上式差动方程)

(3)到对侧保护装置发来的‘差动动作’的允许信号。


7.向对侧发差动动作允许信号的条件本侧差动保护向对侧发允许动作的条件如下:

① 本侧差动保护启动元件起动。

② 差流元件动作。


这样当一侧TA断线,由于本侧电流有突变或者有‘零序电流’,起动元件可能起动,差动继电器也可能动作。但对侧TA没有断线,起动元件没有起动,不能向本侧发‘差动动作’的允许信号,所以本侧不误动。








首页
产品
新闻
联系